2016년 12월 26일 월요일

RS 및 D Flip Flop JK 및 T Flip Flop 발표 자료

RS 및 D Flip Flop JK 및 T Flip Flop 발표 자료
RS 및 D Flip Flop JK 및 T Flip Flop 발표 자료.pptx


본문
Flip Flop 이란?

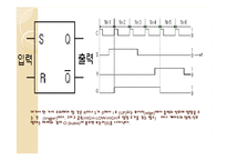
플립플롭은 두 가지 상태 사이를 번갈아 하는 전자회로이다. 플립플롭에 전류가 부가되면,현재의 반대 상태로 변하며 (0 에서 1 로,또는 1 에서 0 으로), 그 상태를 계속 유지하므로 한 비트의 정보를 저장할 수 있는 능력을 가지고 있다.    여러 개의  트랜지스터로 만들어지며 SRAM이나 하드웨어 레지스터 등을 구성하는데 사용 플립플롭에는  RS 플립플롭,   D 플립플롭, JK 플립플롭, T 플립플롭 등 여러 가지종류가 있다.


키워드
발표, 자료

댓글 없음:

댓글 쓰기